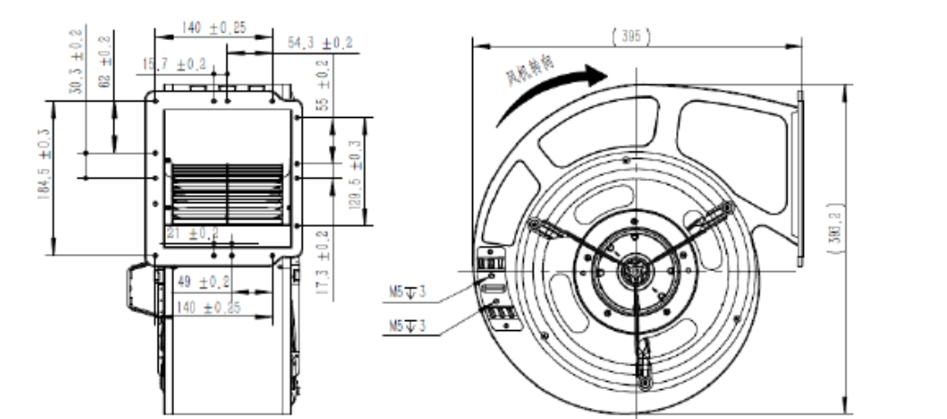
Model & Category
| Product model | DH255E5-075-000 |
| Product category | Forward centrifugal fans |
Basic parameters
| Voltage type | Single phase AC |
| Voltage (V) | 220 |
| Frequency(Hz) | 50/60 |
| Capacitance(μF) | - |
| Current(A) | 1.0 |
| Power(W) | 135 |
| RPM(RPM) | 660 |
| Diameter Φ(mm) | 255 |
| Airflow(m3/h) | 1247 |
| Noise(dB) | 59 |
